




Центробіжний радіальний вентилятор ВЦ 14-46 №8 15,0 кВт 750 об/хв
У компанії підключені електронні платежі. Тепер ви можете купити будь-який товар не покидаючи сайту.Відцентровий радіальний вентилятор середнього тиску ВЦ 14-46 застосовується у припливних та витяжних системах вентиляції будівель різного призначення: склади, виробництва, ангари, сховища тощо. Також використовуються в кондиціонуванні та системах повітряного опалення.
У веду особливості конструкції крильчатки із загнутими назад лопатками може переміщати повітряні маси з концентрацією твердих домішок до 100 г/м3, максимальною температурою до 80 0С.
Вентилятори виробляються у відповідності з ТУ У 28.2-39528504-002:2015 із сплавів:
- алюмінія;
- нержавійки;
- вуглецевої сталі;
- різнорідних металів;
- титанових сплавів.
Докладніше з характеристиками модельного ряду даних вентиляторів можна ознайомитись нижче в таблиці
Технічні характеристики ВЦ 14-46 №8
| Модель | Продуктивність, м3/год | Тиск, Па | Потужність, кВт | Оберти двигуна, об/хв. |
| ВЦ 14-46 №8 11,0/750 | 9800-22000 | 1050-1200 | 11,0 | 750 |
| ВЦ 14-46 №8 15,0/750 | 11300-25000 | 1100-1300 | 15,0 | 750 |
| ВЦ 14-46 №8 18,5/750 | 9800-34000 | 1050-1300 | 18,5 | 750 |
| ВЦ 14-46 №8 22,0/750 | 11300-32500 | 1100-1400 | 22,0 | 750 |
| ВЦ 14-46 №8 30,0/750 | 11300-39000 | 1100-1500 | 30,0 | 750 |
| ВЦ 14-46 №8 37,0/1000 | 15000-36000 | 2000-2500 | 37,0 | 1000 |
| ВЦ 14-46 №8 45,0/1000 | 15000-42000 | 2000-2700 | 45,0 | 1000 |
Вентилятори виготовляються під замовлення з різними виконаннями. Для правильності підбору ознайомтеся з інформацією нижче.
Положення корпуса правого та лівого ВЦ 14-46 №8

Графіки продуктивності



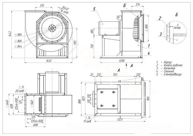
Габаритні та приєднувальні розміри

Якщо є сумніви у підборі відцентрового вентилятора ВЦ 14-46 №8, просто зателефонуйте нам та представник торгової марки Турбовент із задоволенням допоможе Вам!
| Основні | |
|---|---|
| Тип конструкції промислового вентилятора | Радіальний(Відцентровий) |
| Тип промислового вентилятора за виконанням | Багатозональний |
| Продуктивність | 25000 куб.м/год |
| Частота обертання | 750 об/хв |
| Максимальний робочий тиск | 1380 Па |
| Максимальна запиленість повітря | 100 мг/куб.м |
| Споживана потужність | 15 кВт |
| Напруга мережі | 380~400 В |
| Гарантійний термін | 12 міс |
| Габаритні розміри | |
| Ширина | 1456 мм |
| Довжина | 1150 мм |
| Висота | 1443 мм |
- Ціна: 103 038 ₴






